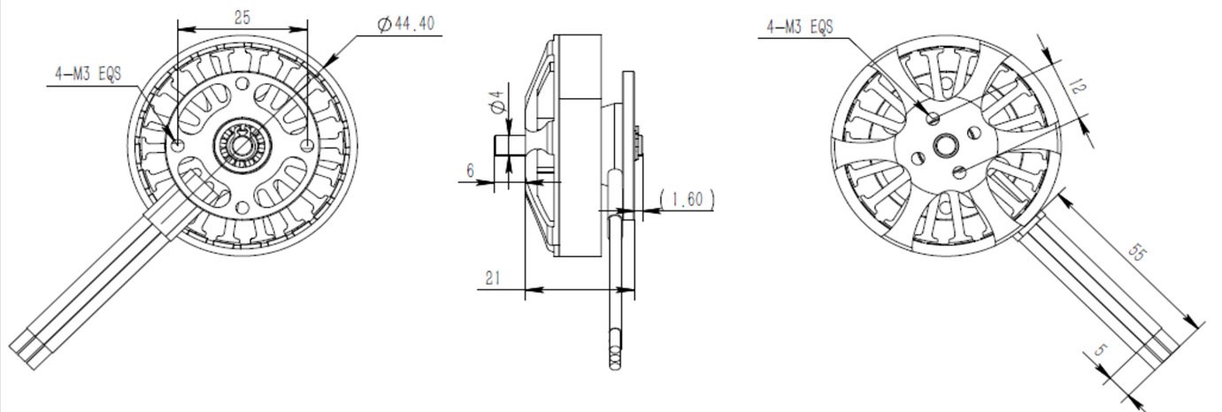
Основні характеристики
Діаметр двигуна
44.4 ±0.1 (мм)
Довжина двигуна
21 ±0.3 (мм)
Працюєм під замовлення
Кастомне виготовлення двигунів від ТрастНова
На відміну від серійних моделей, наші кастомні рішення оптимізують вагу БПЛА, збільшують час перебування в повітрі та гарантують стабільність роботи в екстремальних режимах. Ви отримуєте унікальні характеристики для ваших задач: чи то екстремальна тяга для heavy lift, чи мінімальна вага для швидкісних білдів, чи особлива стійкість до складних умов. Пряма комунікація з виробником, швидка технічна підтримка та гарантія наявності запчастин - це те, що неможливо отримати від масових брендів.
Замовити кастомний двигун
